admin

:: VYHLEDÁVÁNÍ ::

Hlavní strana

:: SORTIMENT ::
KOLA 1.1
HNACÍ NÁPRAVA 2.1
HNACÍ NÁPRAVA 2.2
DIFERENCIÁL 2.3
HYDRAULICKÁ SERVO-BRZDA 2.4
PŘEVODOVÁ SKŘÍŇ 3.1
PŘEVODOVÁ SKŘÍŇ 3.2
PŘEVODOVÁ SKŘÍŇ 3.3
PŘEVODOVÁ SKŘÍŇ 3.4
PŘEVODOVÁ SKŘÍŇ 3.5
ROZVÁDĚČ 3.6
VÁLEC PARKOVACÍ BRZDY 3.7
MĚNIČ 4.1
NÁHON ČERPADEL 4.2
NÁHON ČERPADEL 4.3
HNACÍ BLOK 5.1
HNACÍ BLOK 5.2
CHLAZENÍ 5.3
PÁKOVÉ ÚSTROJÍ 6.1
PODVOZEK 7.1
ŘÍDÍCÍ NÁPRAVA 8.1
HYDRAULICÝ VÁLEC SERVOŘÍZENÍ 8.2
SLOUPEK ŘÍZENÍ 9.1
ŠLAPKOVÉ ÚSTROJÍ 9.2
ELEKTROMAGNET 9.3
VEDENÍ TLAKOVÉHO OLEJE-PRACOVNÍ HYDRAULIKA 10.1
OLEJOVÝ ROZVÁDĚČ 11.1
OLEJOVÝ ROZVÁDĚČ 11.2
OLEJOVÝ ROZVÁDĚČ 11.3
PRIORITNÍ VENTIL - PŘIPOJENÍ 11.4
VÝFUK 12.1
HYDRAULICKÝ VÁLEC SKLOPNÝ 13.1
ZDVIHACÍ ZAŘÍZENÍ 14.1
ZDVIHACÍ ZAŘÍZENÍ 14.2
ZDVIHACÍ ZAŘÍZENÍ 14.3
ZDVIHACÍ DESKA 14.4
HYDRAULICKÝ VÁLEC ZDVIHACÍ 15.1
KABINA 16.1
ČELNÍ KRYT 16.2
DVEŘE PRAVÁ A LEVÉ 16.3
OKNO PŘEDNÍ A STŘEŠNÍ 16.4
OKNO ZADNÍ 16.5
STĚRAČ 16.6
DRŽÁK NÁJEZDU LEVÝ A PRAVÝ 16.7
TOPENÍ 16.8
OCHRANNÁ STŘÍŠKA 16.9
MONTÁŽ 17.1
MONTÁŽ 17.2
SCHEMA EL. ZAPOJENÍ 18.1


Náčrt



  Strana 1 z 2 zobrazováno po 10 Další 
začátek konec

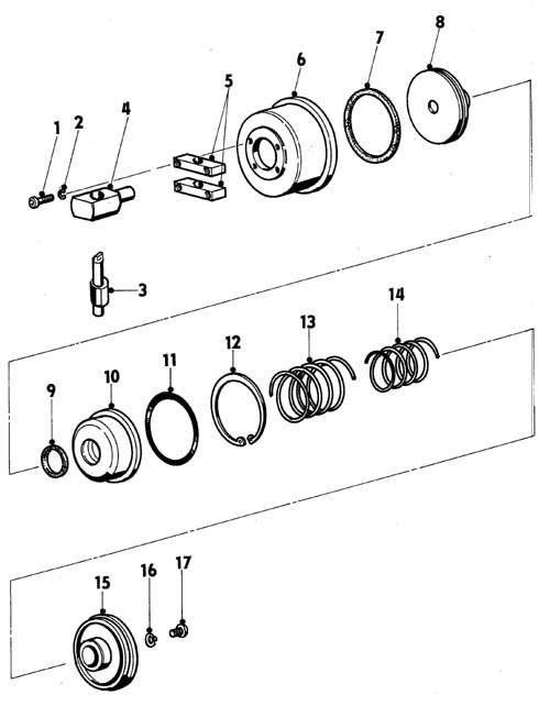
VÁLEC PARKOVACÍ BRZDY 3.7
0 Válec parkovací brzdy kompl.  
3-39722-01
počet kusů:
1 Šroub M 8x30  
32 350
ČSN 02 1143.50
počet kusů:
2 Podložka 8  
31 039
ČSN 02 1740.01
počet kusů:
3 Výstředníkový čep  
4-38187-01
počet kusů:
4 Závěs  
4-35879-01
počet kusů:
5 Hranol  
4-36280-01
počet kusů:
6 Víko  
3-31523-00
počet kusů:
7 Manžeta 127x119x8,2  
33 091
155
počet kusů:
8 Píst  
4-36144-11
počet kusů:
9 Těsnění pístnice T20 40x48x6,3  
32 575
8004-239.428
počet kusů:

  Strana 1 z 2 zobrazováno po 10 Další 
začátek konec


Zasílání INFO
Jméno E-mail -->> Odhlásit <<--

© 2003 Created by Czechproduct Nejlépe prohlédnete v IE 5.0 a vyšší, Optimalizováno pro rozlišení 800x600 a větší.